Tuesday, October 19, 2021

[View 45+] Toyota Dyna Electrical Wiring Diagram

Get Images Library Photos and Pictures. Toyota 1kz Te Ecu Wiring Diagram Http Eightstrings Blogspot Com Diagram Toyota Haicee Electrical Wiring Diagrams Full Version Hd Quality Wiring Diagrams Diagramgame1j Centrostudigenzano It 2003 Toyota Landcruiser Prado Electrical Wiring Diagram Workshop Manual English Toyota Dynaru30l Qrpt Electrical Wiring Clamp Japan Parts Eu

Toyota electrical wiring diagrams pdf above the page auris avalon avensis camry corolla hiace hilux land cruiser prius rav 4 supra yaris. Some toyota avalon wiring diagrams are above the page.

. Pin Auf Diagrama De Cableado Toyota Dyna 100 150 2001 2015 Service Repair Information Manual Diagram Toyota Hilux Rzn142 Vzn167 Kzn165 Kdn145 Repair Manuals Download Wiring Diagram Electronic Wiring Diagram In Pdf And Cdr Files Format Free Download Wiring Diagram Piediagramutensileaffilato Utensileaffilato It

Toyota Dyna Electrical Wiring Diagram Manual Pdf Download 1980 2013 Toyota Dyna Electrical Wiring Diagram Manual Pdf Download 1980 2013

Toyota Dyna Electrical Wiring Diagram Manual Pdf Download 1980 2013 Toyota alphard is a 5 door class l minivan.

Toyota Dyna Electrical Wiring Diagram Manual Pdf Download 1980 2013

. Describe the meaning of the c13 in the diagram component q. Understanding toyota wiring diagrams worksheet 1 1. Toyota dyna electrical wiring diagram manual pdf download1980 2013go to download full manualgeneral information engine mechanical engine lubrication system engine cooling system engine controlsystem fuel systemexhaust system accelerator control system clutch manual transaxle automatictransaxle transfer propeller shaft rear final drive front axle rear axle front suspension.

Toyota dyna electrical wiring diagram manual pdf download 1980 2013pdf download at 2shared. The five meter sedan is created on a common platform with the camry model. Toyota rav4 wiring diagrams toyota rav4 rear fog.

The fourth generation of avalon has been produced since 2012 in the usa. Your source for toyota wire information wiring information technical help for your new or used vehicle toyota technical wiring diagrams wire information wirediagram. 2shared online file upload unlimited free web space.

See application chart for part numbers. Describe the meaning of the 2 in diagram component s. Toyota land cruiser 1998 1999 2000 2001 2002 2003 2004 2005 2006 2007.

Also the car is sold in south korea and some countries in the middle east. A restyled version of the fifth generation of the toyota 4runnerthe car presentation was held in april 2013 in california usa. Workshop and repair manuals service owners manual.

For race applications 3 ohm coils can be used. Understanding toyota wiring diagrams information 2 toyota electrical wiring symbols u 1 page 3. The full size toyota avalon sedan is designed primarily for the us market.

In 2015 the model was restyled. Reading toyota electrical wiring diagrams u 1 page 2. Dyna s electronic ignition installation instructions part no.

Click on document toyota dyna electrical wiring diagram manual pdf download 1980 2013pdf to start downloading. 2004 toyota prius electric wiring diagrams prius automatic light control wiring diagram prius front fog light schematics prius front wiper and washer circuit diagram prius headlight beam level control 2 ewd prius light auto turn off system wiring diagram prius seat belt warning electric diagram prius stop light wiring diagram open. Remove the two standoffs holding the point plate to the engine.

Remove the point cover. Dss 2 for 1970 and later harley davidsons the 056 2 should be used with coils having 5 ohms primary resistance for street applications. Wiring diagrams spare parts catalogue fault codes free download.

Describe the meaning of the g w in diagram component r. Toyota 4runner 5 door suv class k3.

Diagram Toyota Haicee Electrical Wiring Diagrams Full Version Hd Quality Wiring Diagrams Diagramgame1j Centrostudigenzano It Diagram Toyota Haicee Electrical Wiring Diagrams Full Version Hd Quality Wiring Diagrams Diagramgame1j Centrostudigenzano It

Toyota Dyna Wiring Diagram 2007 Mercury Mountaineer Fuse Diagram Rcba Cable Nescafe Jeanjaures37 Fr Toyota Dyna Wiring Diagram 2007 Mercury Mountaineer Fuse Diagram Rcba Cable Nescafe Jeanjaures37 Fr

1990 Harley Davidson Softail Wiring Diagram Database Wiring Diagram Number Number Media Piu It 1990 Harley Davidson Softail Wiring Diagram Database Wiring Diagram Number Number Media Piu It

Solved In Need Wiring Diagram For Toyota Dyna 1 5 Ton Fixya Solved In Need Wiring Diagram For Toyota Dyna 1 5 Ton Fixya

Diagram Toyota Haicee Electrical Wiring Diagrams Full Version Hd Quality Wiring Diagrams Diagramgame1j Centrostudigenzano It Diagram Toyota Haicee Electrical Wiring Diagrams Full Version Hd Quality Wiring Diagrams Diagramgame1j Centrostudigenzano It

1989 Toyota Dyna Reg Cab Truck Service Manual Electrical Wiring Diagrams Diagram Ebay 1989 Toyota Dyna Reg Cab Truck Service Manual Electrical Wiring Diagrams Diagram Ebay

Diagram Porsche 356 C Wiring Diagram Full Version Hd Quality Wiring Diagram Hydradiagrams Laikatv It Diagram Porsche 356 C Wiring Diagram Full Version Hd Quality Wiring Diagram Hydradiagrams Laikatv It

Diagram Coils For Honda Cb750 Wiring Diagram Full Version Hd Quality Wiring Diagram Gooiphone Caraman Rugby Fr Diagram Coils For Honda Cb750 Wiring Diagram Full Version Hd Quality Wiring Diagram Gooiphone Caraman Rugby Fr

Diagram 1999 Toyota Corolla Electrical Wiring Diagram Full Version Hd Quality Wiring Diagram Eauclaireblackfriday Trodat Printy 4923 Fr Diagram 1999 Toyota Corolla Electrical Wiring Diagram Full Version Hd Quality Wiring Diagram Eauclaireblackfriday Trodat Printy 4923 Fr

Toyota Dyna Workshop Repair Manual Workshop Manuals Toyota Dyna Workshop Repair Manual Workshop Manuals

Diagram Professional Commercial Electrical Wiring Diagram Full Version Hd Quality Wiring Diagram Hydradiagrams Laikatv It Diagram Professional Commercial Electrical Wiring Diagram Full Version Hd Quality Wiring Diagram Hydradiagrams Laikatv It

Https Encrypted Tbn0 Gstatic Com Images Q Tbn And9gcqyaa2k5oorsz68opgjtqxlqucqhvelwwjg4yp7d Cd9kt4sfeq Usqp Cau Https Encrypted Tbn0 Gstatic Com Images Q Tbn And9gcqyaa2k5oorsz68opgjtqxlqucqhvelwwjg4yp7d Cd9kt4sfeq Usqp Cau

Diagram Electrical Wiring Diagram Toyota Hiace Full Version Hd Quality Toyota Hiace Enginelub Renault4 Fr Diagram Electrical Wiring Diagram Toyota Hiace Full Version Hd Quality Toyota Hiace Enginelub Renault4 Fr

Diagram Toyota Haicee Electrical Wiring Diagrams Full Version Hd Quality Wiring Diagrams Diagramgame1j Centrostudigenzano It Diagram Toyota Haicee Electrical Wiring Diagrams Full Version Hd Quality Wiring Diagrams Diagramgame1j Centrostudigenzano It

Diagram 2001 Toyota Ta Electrical Diagram Full Version Hd Quality Electrical Diagram Wiringcctv11 Cattivissimome It Diagram 2001 Toyota Ta Electrical Diagram Full Version Hd Quality Electrical Diagram Wiringcctv11 Cattivissimome It

Oc 4374 John Deere 314 Ignition Switch Wiring Diagram Schematic Wiring Oc 4374 John Deere 314 Ignition Switch Wiring Diagram Schematic Wiring

Diagram Toyota Previa 1995 1996 1997 Service Manual Wiring Diagram Full Version Hd Quality Wiring Diagram Diagramaydisenanudaperla Nudaperla It Diagram Toyota Previa 1995 1996 1997 Service Manual Wiring Diagram Full Version Hd Quality Wiring Diagram Diagramaydisenanudaperla Nudaperla It

Toyota Vios Engine Wiring Diagram In 2020 Toyota Vios Toyota Used Toyota Toyota Vios Engine Wiring Diagram In 2020 Toyota Vios Toyota Used Toyota

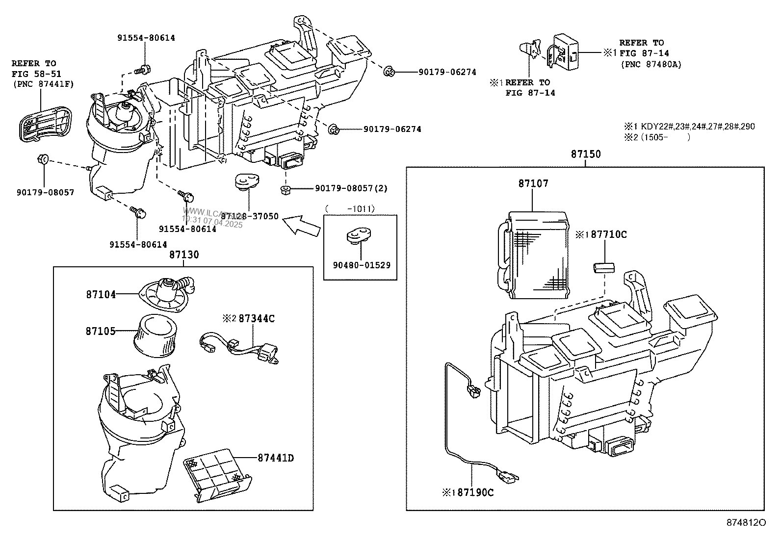
Heating Air Conditioning Heater Unit Blower Toyota Dyna Toyoace Nbsp 731170 Heating Air Conditioning Heater Unit Blower Toyota Dyna Toyoace Nbsp 731170

Toyota 1kz Te Ecu Wiring Diagram Http Eightstrings Blogspot Com Toyota 1kz Te Ecu Wiring Diagram Http Eightstrings Blogspot Com

Diagram Toyota Dyna Truck Wiring Diagram Full Version Hd Quality Wiring Diagram Optiondiagram Prolococastelmezzano It Diagram Toyota Dyna Truck Wiring Diagram Full Version Hd Quality Wiring Diagram Optiondiagram Prolococastelmezzano It

Https Encrypted Tbn0 Gstatic Com Images Q Tbn And9gctpepwynk9wk5izyjqx 0dlz1zeasx5ztjxdlbhi8hqims1iwmv Usqp Cau Https Encrypted Tbn0 Gstatic Com Images Q Tbn And9gctpepwynk9wk5izyjqx 0dlz1zeasx5ztjxdlbhi8hqims1iwmv Usqp Cau

1964 Dodge Coronet Wiring Diagram Wiring Diagram Design B Design B Sposamiora It 1964 Dodge Coronet Wiring Diagram Wiring Diagram Design B Design B Sposamiora It

Diagram Electrical Wiring Diagram Toyota Hiace Full Version Hd Quality Toyota Hiace Pagermanualscom Prolococastelmezzano It Diagram Electrical Wiring Diagram Toyota Hiace Full Version Hd Quality Toyota Hiace Pagermanualscom Prolococastelmezzano It

Toyota Emina Fuse Box Wiring Diagram Expedition1 Expedition1 Concorsomusicalmuseo It Toyota Emina Fuse Box Wiring Diagram Expedition1 Expedition1 Concorsomusicalmuseo It

Diagram Using The Electrical Wiring Diagram Using Toyota Wiring Toyota 7k Engine Full Version Hd Quality 7k Engine Bfhwiring2a Atuttasosta It Diagram Using The Electrical Wiring Diagram Using Toyota Wiring Toyota 7k Engine Full Version Hd Quality 7k Engine Bfhwiring2a Atuttasosta It

Toyota Dyna Workshop Repair Manual In 2020 Repair Manuals Toyota Dyna Toyota Toyota Dyna Workshop Repair Manual In 2020 Repair Manuals Toyota Dyna Toyota

Wiring Clamp For Toyota Dyna Toyoace Xzu308 Amayama Wiring Clamp For Toyota Dyna Toyoace Xzu308 Amayama

Diagram Wiring Diagram De Taller Toyota Dyna Full Version Hd Quality Toyota Dyna Df1x44 Epaviste Gratuit Idf Fr Diagram Wiring Diagram De Taller Toyota Dyna Full Version Hd Quality Toyota Dyna Df1x44 Epaviste Gratuit Idf Fr

No comments:

Post a Comment