Tuesday, November 29, 2022
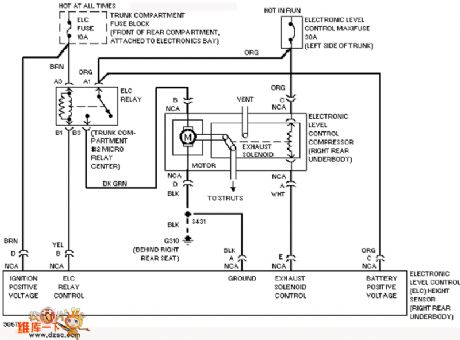
Cadillac 511, Index 2227 - Circuit Diagram - SeekIC.com
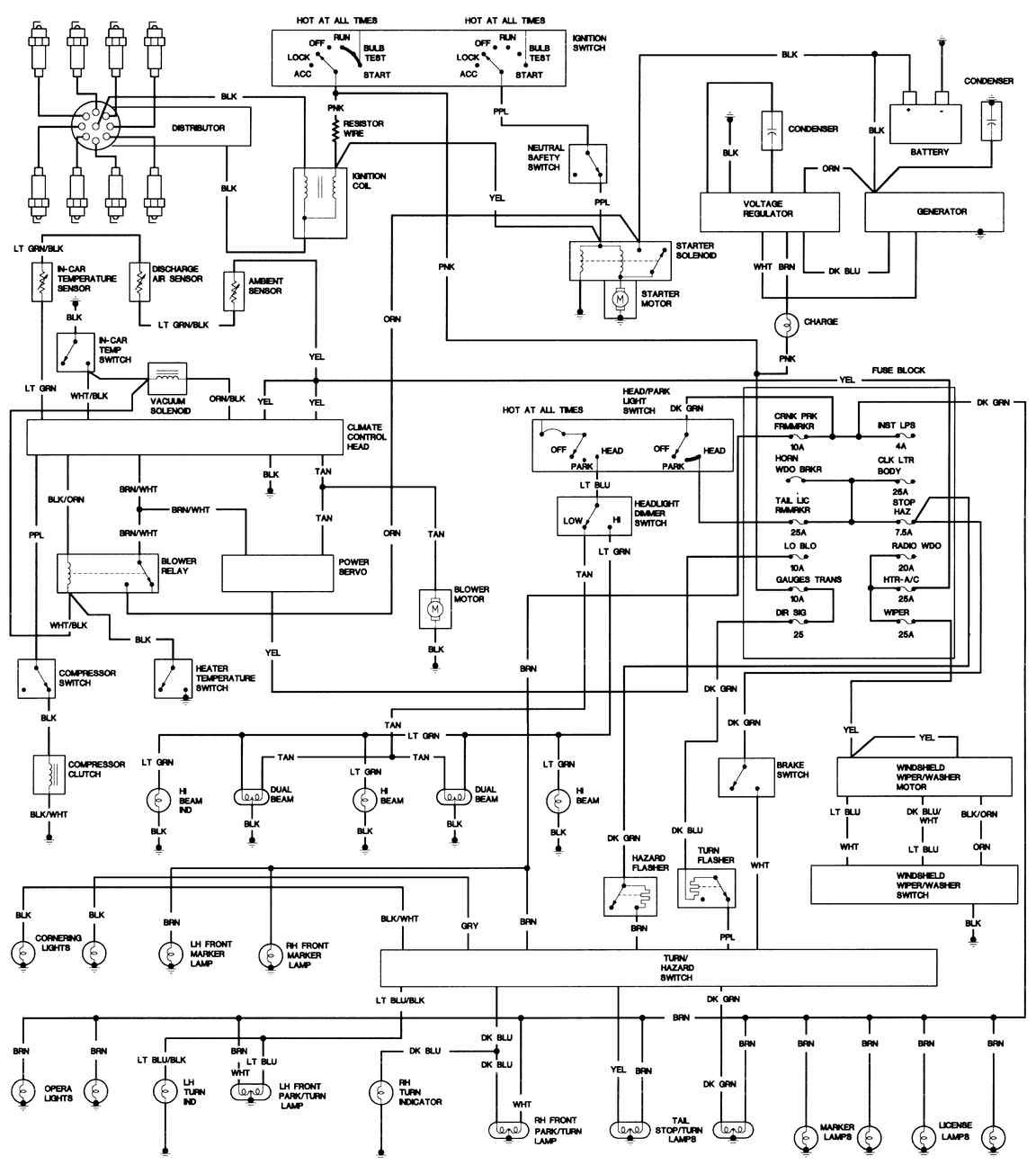
If you are {looking for|searching about} 2001 Cadillac Deville Radio Wiring Diagram - Wiring Diagram Database you've {came|visit} to the right {place|web|page}. We have 8 {Pics|Pictures|Images} about 2001 Cadillac Deville Radio Wiring Diagram - Wiring Diagram Database like Cadillac Start Wiring Diagram - Wiring Diagram Schema, Wiring diagrams? | Cadillac Owners Forum and also Index 2227 - Circuit Diagram - SeekIC.com. {Read more|Here you go|Here it is}:
Subscribe to:
Post Comments (Atom)






No comments:
Post a Comment